Thermopiles

Thermopiles are IR temperature sensors that fully utilize SEMITEC original silicon-micromachining technology. SEMITEC’S thermopiles are fully compliant with RoHS DIRECTIVE2011/65/EU.
- High sensitivity and accurate temperature detection
- Compact and reliable design
- Non-contact temperature measurement
Application
Ear thermometers, IR thermometers, Microwave ovens and other Non-Contact temperature sensing applications.
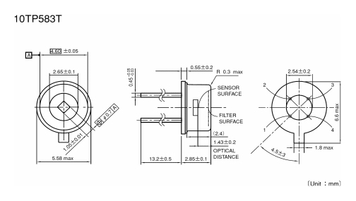
Dimension
Circuit Diagram
Rating
| Parameter | Value | Conditions |
|---|---|---|
| Sensitive Area | 1.05 x 1.05 mm | Size of absorbing film |
| Output Voltage1 | 200 μV ± 30% | - |
| Output voltage2 | 1.00 mV ± 30% | - |
| Thermopile resistance | 65kΩ ± 30% | Resistance value at 25oC |
| Time constant | 15 ms | Typical |
| Operating temperature range | -20 to 100oC | - |
| Storage temperature range | -40 to 100oC | - |
| Field of view | ± 50o | Incident angle to achieve 50% responsivity |
| Filter range | Cut on 5 μM | - |
| Thermistor resistance value | 100 kΩ ± 3% | Rated zero-power resistance value at 25o |
| Thermistor B value | 3435 K ± 0.7% | B value calculated from rated zero- power resistance at 25oC and 85oC |
1. Rated zero-power resistance at each temperature
2. B value calculated from rated zero-power resistance at each temperature
3. If your application requires other tolerance values please contact SEMITEC sales staff.
4. Time required to reach 63.2% of temperature difference. Measured with sensor suspended in mid-air.
